产品详情
适用温度及介质
| 规格 | 适用温度(℃) | 适用介质 | 适用压力 | |
|---|---|---|---|---|
| DN15-65 | -20℃~150℃ | 水、≤0.4 MPa室内管路煤气、 ≤0.6 MPa空气、非腐蚀性液体 |
1.6 | |
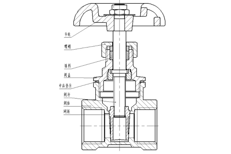
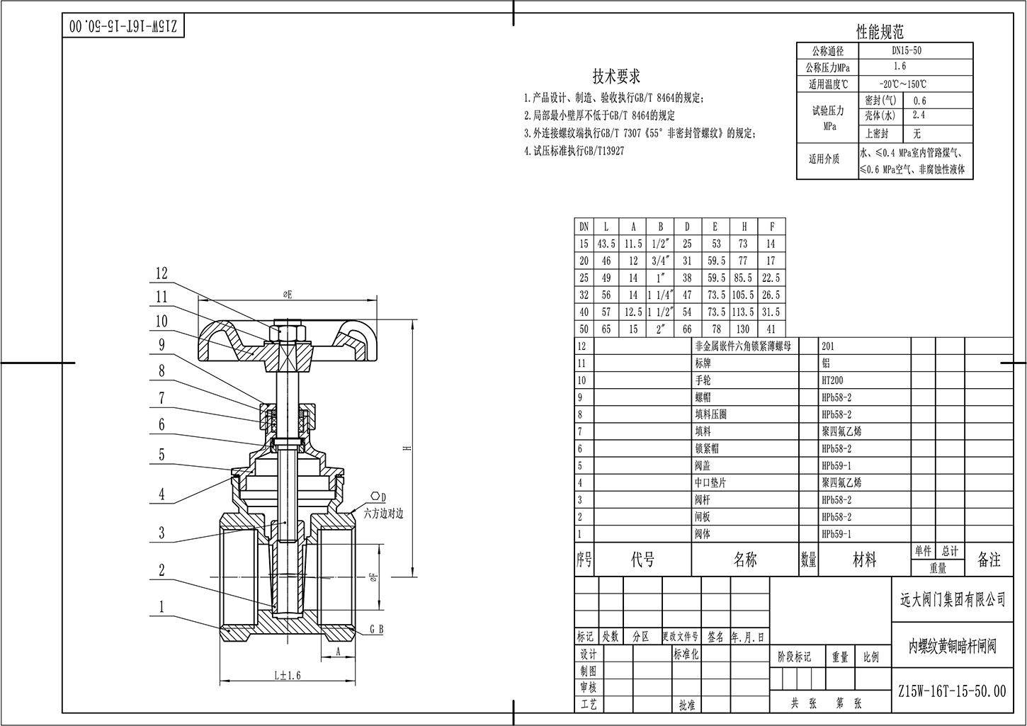
主要零件材料
| 零件名称 | 材料名称 |
|---|---|
| 阀体、闸板、阀杆、阀盖、螺帽 | 黄铜(HPb59-1) |
| 中口垫片、填料 | 聚四氟乙稀(PTFE) |
| 手轮 | HE200 |
产品特点
● 形体简单 ,制造工艺性好,适用范围广,便于安装。
● 结构合理紧凑,体积小、关团件(闸板)采用楔式结构,在工作中能自动补偿由于异常负荷或温度引起的阀体变形,密封安全可靠。
● 介质可从闸阀两侧任意方向流过,均能达到接通或截断的目的。
外观及结构图
内螺纹闸阀,在管道内流体上主要用于切断介质流。因铜材质本身耐腐蚀性能强,广泛应用于药厂管线、纯净水管线。


ONLINE MESSAGE
在线留言
*注:请务必信息填写准确,并保持通讯畅通,我们会尽快与你联系