不锈钢轴流式止回阀
阀瓣采用弹簧加载,其快速关闭能有效地减小水锤压力,密封性能好。
关键词:
产品分类:
产品详情
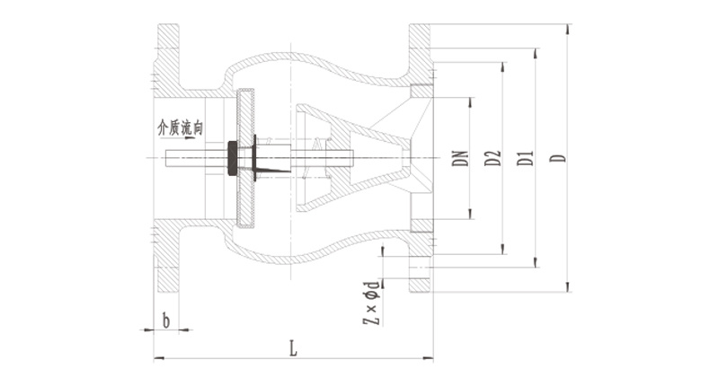
外型及连接尺寸

| 型号 | DN | L | D | D1 | D2 | b | Zxφd | |
| PN10 | PN16 | |||||||
| HC42X-10P/16P | 50 | 120 | 165 | 125 | 102 | 18 | 4×φ18 | 4×φ18 |
| 65 | 150 | 185 | 145 | 122 | 18 | 8×φ18 | 8×φ18 | |
| 80 | 180 | 200 | 160 | 138 | 20 | 8×φ18 | 8×φ18 | |
| 100 | 229 | 220 | 180 | 158 | 20 | 8×φ18 | 8×φ18 | |
| 125 | 254 | 250 | 210 | 188 | 22 | 8×φ18 | 8×φ18 | |
| 150 | 267 | 285 | 240 | 212 | 22 | 8×φ22 | 8×φ22 | |
| 200 | 292 | 340 | 295 | 268 | 24 | 8×φ22 | 12×φ22 | |
主要零件材料
| 零件名称 | 零件材质 |
| 阀体、导流体 | CF8 |
| 垫片 | 304 |
| 阀瓣 | Q235+NBR |
| 阀杆 | 304 |
| 弹簧 | 304 |
结构特点
✔ 阀门结构简单紧凑,操作方便,重量轻、流体阻力小、耐疲劳、使用寿命长装拆容易,便于维修。阀体通道设计平滑,无堆积物,流通阻力小。
✔ 阀门零部件制造精度高,各零件可在相同规格的阀门之间互换,方便维修和更新,阀瓣互换率达100%。
✔ 可立式、卧式安装,阀瓣启闭灵活、且运行平稳,关闭噪音低、安全、故障率低。
✔ 阀瓣采用弹簧加载,其快速关闭能有效地减小水锤压力,密封性能好。
不锈钢轴流式止回阀结构图

该产品阀体采用了全通道流线型设计,有效降低了流体阻力并增加了流量,同时也确保了出色的密封效果,可有效的防止介质倒流而产生破坏性水锤,保护水泵和管道其它设备。
该产品适用于高层建筑供水、排水系统,消防管道给水系统等。
本阀门采用了中心导轴压差梭动原理,并结合弹簧来辅助实现快速(提前)关闭的功能。水泵启动时,全水流通道,减小流阻,水泵关闭时,弹簧快速关闭阀瓣,有效防止水锤的产生,从而使系统进行有效工作。
结构特点
★ 阀门通径为全通径,可以在管道上提高流速,提高流量、降低流阻,减少阀门磨损,提高阀门使用寿命。
▶ 经设计、计算、三维模拟仿真,远大轴流式止回阀内部进行流线型设计,使流道最小截面积大于阀门通径截面积,从而减小流体的压力损失;提高阀门流量;降低阀门流阻;减少内部零件损耗;方便清洁和维护。(图A)


▶ 采用上下双轴孔定位,相比与单轴孔定位,双轴孔导向则可提供更稳定、更精确的运动导向,从而使阀瓣可以准确无误的与密封面结合,提高阀门密封性能。(图B)
▶ 建设阀门动态实验室进行模拟阀门在实际工况中的流量、流阻等数据。(图C)

ONLINE MESSAGE
在线留言
*注:请务必信息填写准确,并保持通讯畅通,我们会尽快与你联系